Краснодар
+7 495 584-05-25 
Время работы
Пн-пт: 9:00-18:00 Сб-вс: выходные дни
Главная
Каталог
Корзина
Войти

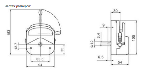
Головка для перистальтического насоса YZ2515x (PPS)

Статус товара
Под заказ
-
+
Доставка
Самовывоз, доставка курьером, доставка транспортными компаниями, другие виды доставки по согласованию
Оплата
Оплата при получении товара в нашем магазине, картой онлайн, безналичная оплата, Mir Pay

Описание товара

Головка для перистальтического насоса YZ2515x предназначена для быстрой замены рабочих трубок с автоматической фиксацией. Представлен в виде универсального компонента. 

Технические характеристики:

  • Допустимое количество каналов - 1;
  • Совместима с трубками - 15#, 24#;
  • Производительность равна до 1600 мл/мин;
  • Скорость - до 600 оборотов в минуту;
  • Материал корпуса головки - полифениленсульфид (PPS);
  • Материал роликового вала - сталь;
  • Вес - 400 г. 

 

Характеристики

Каналов, максимально
1
Маркировка трубки
15#, 24#
Производительность
до 1600 мл/мин
Скорость вращения, об/мин
до 600
Вес, кг (нетто)
0,4

Отзывы

Добавить

Пока нет отзывов